|




















Best viewed using:
Internet Explorer
or
Mozilla Firefox

 |

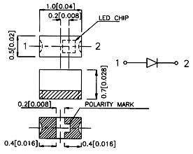
LED shape style #1
LED shape style #2
All dimensions: mm (inches)
© 2008 Ngineering
(1) Pulse conditions of 1/10 duty cycle @ 0.1ms width
| Parameter Description |
Symbol |
Unit |
Value |
| Power dissipation |
Pd |
mW |
102 |
| Recommended Forward Voltage |
Vf (Rec) |
V |
3.3 |
| Peak Forward Voltage |
Vf (Peak) |
V |
4.0 |
| Recommended Operating Current |
If (Rec) |
mA |
20 |
| Peak Pulse Current (1) |
If (Peak) |
mA |
160 |
| Average Luminous Intensity
|
Iv |
mcd |
150 |
| Reverse Voltage |
5 Volt |
| Operating Temp. Range |
-40 - +85 deg C |
| Storage Temp. Range |
-40 - +85 deg C |
| Lead Solder Temperature |
230 deg C -for 3 seconds |

|