Home
What's New
Search Site
Lighting Products
Lighting Accessories
Lighting Effects Products
Pre-assembled Lighting
Lighting Kits
Little Sounds
Tubing
Photo-etched Products
Stamped Metal Products
Other Detail Stuff
Soldering Aids
Other Cool Tools
Tips 'n Tricks
Ordering & Delivery Info
Feedback
Feedback
Retailers/Distributors

Best viewed using:

 Internet Explorer

or

Mozilla Firefox

 

Connecting the N8092 NX-01 Navigation Light Simulator

 

Installing the N8092 is very straightforward. Its tiny size and thin construction will allow it to be placed nearly anywhere in any scale model. Because the module has circuitry on both sides, care must be taken to be sure that the components or wires soldered will not make contact with any metal object causing a short circuit.

The Simulator can be powered by battery or any well-filtered and regulated DC power source with an output of 6-18VDC.

Included with these modules are two 6” lengths of #32 insulated wire. If necessary, these can be used for power wires. If used, we recommend the red wire be used for the + DC connection. It would be connected to solder point 1 as shown in Fig. 1. This wire could also connect through a switch to the + DC connection for remote control of the lighting effect. The black wire should be connected to – DC and to solder point 2.

 

                              Figure 1

Important note: A low-wattage iron with a pointed tip should be used for connection of wires. Too much heat or solder can easily damage the wires or module and void the warranty.

Also, all connecting wires should be pre-tinned before soldering them to the module. This will make connection quick and easy and ensure excessive heat is not applied to the solder points.

Solder point #2 is the -DC (or ground) power connection.

 

Connecting LEDs

When connecting the LEDs, proper polarity must be observed. LEDs are “polarity sensitive” and will not function if connected backwards. The N8092 is configured for the connection of six 20 ma LEDs wired as 3 series pairs. Each pair consists of one red and one green LED wired “daisy-chained” fashion with the first LED’s cathode (–) connected to the second LED’s anode (+). The red LEDs should have device voltages in the range of 1.75-2.0 VDC. The green LEDs are of the “signal green” type which have voltages of 3.1-3.3 VDC.

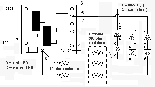
The first & second LED pairs (solder points 3 & 4, and 5 & 6) are the pairs for the saucer top & bottom. Those are the flashing markers. The third LED pair are markers for the warp nacelles and they do not flash (on all of the time). They connect to points 7 & 6. See figure 2 below for a complete wiring diagram.

 

Using wire appropriate for the size of the LED and its placement in the model, connect the white LED cathode (the – connection) to point 5 on the module and its anode (the +) to solder point 6. Connect the red LED cathode (–) to solder point 3, and its anode (+) to to one side of a 150-ohm resistor, and connect the other side of that resistor to point 4 on the module. See Fig. 2 below for a schematic layout of LED hookup.

The N8202 has on-board current limiting resistance to protect the first LED pair (connected to solder points 3 & 4). The second & third series pairs must be connected to resistors that are not mounted on the circuit board. These resistors (150-ohm) are included with this package (plus spares). They're marked 1500 on the component top.

 

                                           Figure 2

You will note on figure 2 the 3 resistors marked optional resistors. Included with this package are additional 300-ohm resistors (plus spare) that can be added in series with each group, as shown, to reduce LED brightness if so desired. These resistors are marked 3010 on the resistor top.

Using wire appropriate for the size of the LEDs and their placement in your model, connect attach wires to the solder pads or tabs of the LEDs. Standard electrical convention recommends that the + DC (anode) side of each LEDs is considered the “hot” side and would therefore have a red wire attached. The DC– (cathode) side of the LED would have either a black or green wire attached (signifying DC– or ground). Of course you can attach wire colors as you prefer, but it is strongly recommended that two different colors be used to differentiate between DC+ & DC–. Again, refer to Fig. 2 above for complete layout of LED hookup.

Once again, be sure to use a low-wattage soldering iron when connecting wires to the module.

Our N40M2 12-watt Iron with either the N408I (iron clad) Needle Tip, or the N408X (bare copper) Needle Tip would be an excellent choice for this operation.

 

This completes connection of the N8092. It is recommended that a thorough re-inspection of all connections and module placement be performed prior to applying power to your model. We hope you enjoy the added realism our module provides.

 

     

© 2018 Ngineering