Home
What's New
Search Site
Lighting Products
Lighting Accessories
Lighting Effects Products
Pre-assembled Lighting
Lighting Kits
Little Sounds
Tubing
Photo-etched Products
Stamped Metal Products
Other Detail Stuff
Soldering Aids
Other Cool Tools
Tips 'n Tricks
Ordering & Delivery Info
Feedback
Feedback
Retailers/Distributors

Best viewed using:

 Internet Explorer

or

Mozilla Firefox

 

Connecting the N8060 & N8060A Modern-era Machine Gun Simulators

 

Installing the N8060 or N8060A is very straightforward. Its tiny size and thin construction will allow it to be placed nearly anywhere in any scale model. Because the module has circuitry on both sides, care must be taken to be sure that the components or wires soldered will not make contact with any metal object causing a short circuit.

The Simulator can be powered by battery or any well-filtered and regulated DC power source with an output of 6-18VDC.

Included with the module are two 6” lengths of #32 insulated wire. If necessary, these can be used for power input wires.

Solder point #1 is the + DC power connection as shown in Fig. 1.

                              Figure 1

Important note: A low-wattage iron with a pointed tip should be used for connection of wires. Too much heat or solder can easily damage the wires or module and void the warranty.

Also, all connecting wires should be pre-tinned before soldering them to the module. This will make connection quick and easy and ensure excessive heat is not applied to the solder points.

Solder point #2 is the -DC (or ground) power connection.

 

Connecting LEDs to the N8060

When connecting the LEDs, proper polarity must be observed. LEDs are “polarity sensitive” and will not function if connected backwards. The N8060 is configured for the connection of two 20ma yellow LEDs with device voltages of 2.0-volts DC. This covers all of Ngineering’s Micro and Nano yellow LEDs, as well as many of the yellow LEDs available. The N8060 has on-board current limiting resistance to protect these LEDs so no external resistor is required.

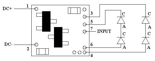
Using wire appropriate for the size of the LED and its placement in the modeling project, connect the one LED cathode (the – connection) to point 3 on the module and its anode (the +) to solder point 4. Connect the other LED cathode (-) to solder point 5, and its anode (+) to point 6. See Fig. 2 below for a schematic layout of LED hookup.

                                           Figure 2

Solder point 7 is for gun control (firing), and can be connected to any switch (momentary pushbutton or magnetic reed switch) which is then tied to -DC (ground).

Once again, be sure to use a low-wattage soldering iron when connecting wires to the module.

Our N40M2 12-watt Iron with either the N408I (iron clad) Needle Tip, or the N408X (bare copper) Needle Tip would be an excellent choice for this operation.

 

Connecting LEDs to the N8060A

Wiring is essentially the same as for the N8060 above except 4 LEDs will be connected in 2 series pairs. See Fig. 3 below for details.

                                             Figure 3

This completes connection of the N8060/N8060A modules. It is recommended that a thorough re-inspection of all connections and module placement be performed prior to applying power to your model. We hope you enjoy the added realism our module provides.

 

     

© 2008 Ngineering