Home
What's New
Search Site
Lighting Products
Lighting Accessories
Lighting Effects Products
Pre-assembled Lighting
Lighting Kits
Little Sounds
Tubing
Photo-etched Products
Stamped Metal Products
Other Detail Stuff
Soldering Aids
Other Cool Tools
Tips 'n Tricks
Ordering & Delivery Info
Feedback
Feedback
Retailers/Distributors

Best viewed using:

 Internet Explorer

or

Mozilla Firefox

Connecting the N8049C / N8049D Cascadable Chase Light Simulators

 

Installing the N8049C or N8049D is very straightforward. Its tiny size and thin construction will allow it to be placed in many locations, even in the smallest scale structures. Because the module has circuitry on both sides, care must be taken to be sure that the components or wires soldered will not make contact with any metal object (such as a locomotive frame) causing a short circuit.

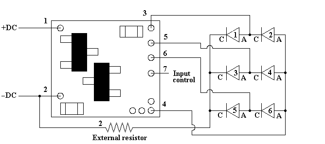
Included with the module are three 6” lengths of #32 insulated wire. If necessary, these can be used for power and input control wires. If used, we recommend the blue wire be used for the + DC connection. It would be connected to solder point 1 as shown in Fig. 1. This wire could also connect through a switch to the + DC connection for remote control of the lighting effect. The other (green) wire should be connected to – DC and to solder point 2.

Solder point 7 is used for input control. Unlike the N8049 & N8049A 6-LED Chase Light Simulators, the N8049C & D varieties use input control to initialize the chase sequence (in the first Simulator), and cascade chase sequences in subsequent Simulators. This is explained in detail below under Theory of Operation.

Any well regulated DC power source can be used to power this module providing the voltage is at least 6VDC and doesn't exceed 18VDC. Our N3512 and N3518 Power supplies are ideal for this use. Also, due to the very low power consumption, this device can also be powered by a battery, such as a standard 9-volt.

Important note: A low-wattage iron with a pointed tip should be used for connection of wires. Too much heat or solder can easily damage the wires or module and void the warranty.

Also, all connecting wires should be pre-tinned before soldering them to the module. This will make connection quick and easy and ensure excessive heat is not applied to the solder points.

 

 

                                Figure 1

 

Connecting LEDs

When connecting the LEDs, proper polarity must be observed. LEDs are “polarity sensitive” and will not function if connected backwards. The N8049C & D Simulator is configured to allow the connection of six (6) 20 ma LEDs with device voltages of 3.2-3.6 VDC. This covers Ngineering’s 2x3 white and Incandescent LEDs, Micro white and yellow-white LEDs, and Nano white LEDs, as well as many white LEDs available.

The N8049D version of this simulator is for LEDs six (6)  20 ma LEDs with device voltages of 1.75-2.2 VDC. This covers Ngineering’s  Micro and Nano red and yellow LEDs, as well as many red and yellow LEDs available.

 

In the wiring diagram below (Fig.2), the LEDs are shown with numbers 1 through 6 for clarity and have their anode (+) and cathode(-) connections identified by A and C.

Note that the six LEDs are essentially connected as 3 series-pair groups (1 to 2, 3 to 4, 5 to 6).

Also note that all of the even numbered LEDs have their anodes connected together and are then connected to the solder point 4.

Further, note that all of the odd numbered LEDs have their cathodes connected together and are then connected in series with an external resistor (supplied with the Simulator) and then connected back to solder point 2.

The N8049C or D controls the lighting of the 6 LEDs with control wires connected as follows:

Solder point 3 is wired to the junction of LED 1 anode and LED 2 cathode.

Solder point 5 is wired to the junction of LED 3 anode and LED 4 cathode.

Solder point 6 is wired to the junction of LED 5 anode and LED 6 cathode.

 

As a matter of interest (in case you are...) LED polarity connections for the N8049C & D are reversed in comparison to the N8049 & A Simulators. This is necessary to accommodate programming for the cascadable effect.

 

Using wire appropriate for the size of the LEDs and their placement in the project, connect the LEDs as shown in Fig. 2 below.

                                                                      Figure 2

 

Once again, be sure to use a low-wattage soldering iron when connecting wires to the module. Our N40M2 12-watt Iron with either the N408I (iron clad) Needle Tip, or the N408X (bare copper) Needle Tip would be an excellent choice for this operation.

 

Theory of Operation

To fully understand the principal behind the cascadable feature, a brief explanation of how this Simulator functions should be helpful.

Solder point 7 is an input and controls the start of the chase sequencing of the LEDs when it is connected to ground (–DC). Once it is grounded (even momentarily) the Simulator cycles through the chase sequence, then "looks" to see if the input is still grounded. If it is, it will repeat the sequence (over and over as long as the input is grounded).

Solder points 3, 5 & 6 are outputs that have three possible states or conditions. Each can be either at positive (+5-volts), ground (–DC), or a high-impedance state (disconnected, or "not conductive"). The Simulator is programmed to sequence the three outputs as follows:

  1. Point 3 goes positive while points 5 & 6 are at high impedance. This applies voltage to the anode of LED 1 and turns it on.

  2. Point 3 then goes to ground (–DC), which turns off LED1 and turns on LED2.

  3. Point 3 goes to high-impedance and point 5 goes positive. This applies voltage to the anode of LED 3 and turns it on.

  4. Point 5 then goes to ground (–DC), which turns off LED3 and turns on LED4.

  5. Point 5 returns to high-impedance and point 6 goes positive. This applies voltage to the anode of LED 5 and turns it on.

  6. Point 6 then goes to ground (–DC), which turns off LED5 and turns on LED6.

  7. Point 7 tests for ground (–DC). If yes, programming goes back to step 1. If no, it loops (continually looking for ground at point 7).

If two (or more) Simulators are to be "cascaded" together for a longer chase sequence, this can easily be done by connecting one of the output pins of the Simulator at the end of the chain back to the input of the first Simulator. This will cause the first simulator to begin a new cycle after the last (even numbered) LED in the last Simulator turns on. The first Simulator also needs a (push button) momentary connection to ground to start the cycle. Once it has begun, the cycle will repeat endlessly until power is removed from the Simulators.

If more that two Simulators are to be used, all input pins must be connected to subsequent Simulator outputs for the sequence to cascade.

 

Figure 3 below shows an 18 LED sequence (3 Simulators) and how they should be wired. 

                                                                      Figure 3

 

In Figure 3 above, Simulator 2 does nothing until it receives a ground connection (step 6 from Simulator 1). Simulator 3 does nothing until it receives a ground connection (step 6 from Simulator 2). Simulator 1 only restarts the cycle when it receives a ground connection (step 6 from Simulator 3).

Understanding how the cascade sequences work together makes planning chase sequences much easier.

Important:

Earlier we mentioned (above Figure 3) even numbered LEDs are the ones that provide input control. This is because the input pins only initiate a chase cycle when they are grounded and output pins only go to ground when they turn on even numbered LEDs. Odd numbered LEDs have ground (through a resistor) connected to their cathodes all the time so they cannot "trigger" input control.

 

A 10-LED Chase Sequence

Let's suppose your project requires a chase-light sequence of some (even) number of LEDs other than multiples of 6. Figure 4 below shows two Simulators setup to produce a 10-LED chase sequence. 

                                                                    Figure 4

 

In the case above, Simulator number 2 has only 4 LEDs connected (output pin 6 is not used). The last (even numbered) LED in the last Simulator is connected back to the first Simulator's input, just like in Figure 3 above. This completes the chain, and the chase sequence will function properly.

 

 

© 2012 Ngineering