Home
What's New
Search Site
Lighting Products
Lighting Accessories
Lighting Effects Products
Pre-assembled Lighting
Lighting Kits
Little Sounds
Tubing
Photo-etched Products
Stamped Metal Products
Other Detail Stuff
Soldering Aids
Other Cool Tools
Tips 'n Tricks
Ordering & Delivery Info
Feedback
Feedback
Retailers/Distributors

Best viewed using:

 Internet Explorer

or

Mozilla Firefox

                                   Connecting the N8103-1, -2 or -3 Booster Board

 

Our Simulator Booster Boards are available in 3 varieties. They contain components for either a single, dual, or triple channel output boost. This corresponds to our Simulators with either a single, two or three outputs programmed for lighting effects.

 

Connecting a Simulator to a Booster Board:

Connecting our Simulators to a Booster Board is very straightforward. The Booster Board has solder plated holes which correspond to the power input and output holes located in our Simulators, so alignment and solder connection is very easy. A length of #26 tinned buss wire is included with each Booster Board for this purpose. Below in Figure 1 is a typical Simulator with 3 output channels. If it were a single output Simulator we would only be concerned with one output hole.

Important note: Not all simulators use the same output holes. It is very important to check the instruction sheet that accompanies each Simulator product for the correct output hole location. For example, our N8034 Ditchlight Simulator uses the upper-right hole (shown below as 3) for input control of the alternating ditchlight effect. LED outputs for that simulator are the next two right-side holes (shown below as 4 and 5). If this Simulator were to be connect to an N8031-2 2-channel Booster Board shown in Figure 2, the following hookup would be performed:

Hole 1 on the Simulator goes to hole 1 on the Booster

Hole 2 on the Simulator goes to hole 2 on the Booster

Hole 4 on the Simulator goes to the Booster channel 1 hole

Hole 5 on the Simulator goes to the Booster channel 2 hole

This may seem a bit confusing but it is really quite clear if you always check the product instruction to determine which point (holes are used for LED output.

Note the 5 points (holes) outlined in red. These are +DC connections for LEDs and are not used when a Simulator is connected to a Booster Board. The Booster Board provides all connection points for LEDs.

 

                                Figure 1

Figure 2 below, is an example of a N8103-2 (2 channel) Booster Board. Note the holes located inside the red rectangle on the left side of the board. These 5 holes match the 5 holes in a Simulator and align with them perfectly when a Simulator is positioned over them.

Important note: A N8103-1 (single channel) Booster Board will always use the single hole shown next to Channel 1 for its connection point to a single output Simulator. A N8103-2 (dual or 2 channel) board will always use the 2 holes positioned next to Channels 1 & 2, and a N8103-3 (3 channel) Booster will use all 3. Unlike our Simulators, these connection points are fixed. The areas outlined in red on the right side of the Booster correspond to the connection points for LED hookup to the channels indicated. This will be covered in detail in the Connecting LEDs section below

                                                                Figure 2

 

Included with each Booster Board is a length of #26 tinned copper buss wire. Use the following steps to connect the two boards:

  1. Cut segments of this wire into 1/2" to 3/4" lengths equal to the number of holes to be interconnected (3 for a single channel board, 4 for a 2-channel, and 5 for a 3-channel board).

  2. Lay the Booster Board on a clean flat surface and insert a wire segment into each of the appropriate holes.

  3. Using a soldering iron with a pointed tip, carefully solder the wire to the tinned pad surrounding each hole in the Booster Board.

Important note: A low-wattage iron with a pointed tip should be used for connection of these wires. Too much heat or solder can damage the circuit pads on the board and void the warranty.

  1. Locate the Simulator board above these wires and carefully guide it down so the wires protrude through the appropriate holes in the Simulator module. As noted above: Not all simulators use the same output holes. It is very important to check the instruction sheet that accompanies each Simulator product for the correct output hole location. We recommend positioning the Simulator no closer than 1/4" to 3/8" above the Booster Board. This will also allow for good air circulation and let the power wires to be connected to the Booster Board more easily.

  2. Solder the leads to the appropriate holes in the Simulator Board.

  3. Using a small diagonal cutter, snip the excess wire off above each solder joint on the Simulator and on the underside of the Booster if wire is protruding there. This completes connection of a Simulator to a Booster Board.

                                                                                                                 Figure 3 

DC power input connections:

 

 

                                                                                                                 Figure 4 

 

Connecting LEDs to the Booster Board:

As shown in Figure 2 above, the right side of the Booster Board contains the connection points for LED hookup to the board. Depending on the version of the Booster Board, there will either be 1, 2 or 3 channels that are functional. Below we will cover the various different ways LEDs can be connected to a Booster Board.

For simplicity's sake we will use a single channel board as our example (Figure 5 below), since connection is the same regardless of which channel(s) or how many are being used.

 

Our Booster board  has, in its final circuit stage, a transistor that can handle up to 0.25 (1/4) Watt of power. If the Booster has multiple channels, each channel has this transistor. That means, depending on power supply voltage, it can handle a proportional amount of current (Amperage) as follows:

With a 6 volt DC supply it can support  42ma of current (2 times a simulator output)

           9 volt DC supply it can support  28ma  with higher output voltage

          12 volt DC supply it can support 21ma  with much higher output voltage

          18 volt DC supply it can support  14ma  with very much higher output voltage

This becomes very important in selecting the right power supply for the type of lighting circuit being connected or other devices connected based on their voltage and milliamperage requirements. For LEDs, higher source voltage allows for larger series groups without increasing current draw.

 

Series wired LEDs:

Our first example will be a simple series group which is probably the most common application and would be the most widely used by hobbyists.

 

A series group consists of two or more LEDs connected in daisy-chained fashion (anode to cathode, or plus to minus) with a current protection resistor in series with the group. It is highly recommended that a series group contain only LEDs of similar device voltages (same color LEDs). Mixing different device voltages in a series group will yield very unpredictable (and always undesired) results. If a refresher on the different circuit types would be helpful, it can be found here in our LED Circuits section.

As we covered in LED Circuits, the primary limiting factor for a series group of LEDs is the sum of their combined device voltages. This must not exceed the DC voltage of the power source being used.

 

Our example will assume an N8032 Beacon Simulator has been attached to the single channel Booster Board and we want to drive 8 of our N1032 Nano red 20mA LEDs. We will be using our N3518 18-volt Power Supply.

Remember that LEDs in series add their device voltages together and in a series group the total current stays the same as a single LED (20mA). So, our Nano red LEDs each have device voltages of 1.85-volts x 8 LEDs = 14.8 volts (our 18-volt supply will do fine). Next we determine the resistor needed for the group. If a refresher is needed in this area, see our section on Resistor Usage or just click here. We've determined that calculations require a 160-ohm resistor and it will draw 64mW (.064 watts) of power. Our NA1780 178-ohm 1/8 watt resistor will work just fine.

 

 

 

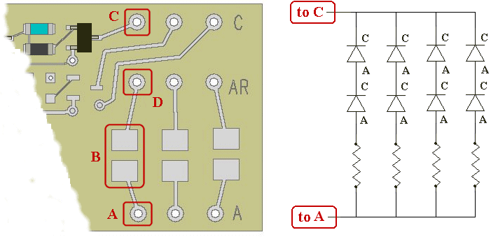
                                           Figure 5                                                                                                     Figure 6 

 

In Figure 6 above, we see the 8 LEDs connected in series. Note the red square marked C on the Booster Board. This is the cathode connection on the Booster Board and the wire coming from the cathode (C) of the last LED in the group should be soldered to it. 

Next, note the area on the Booster that is marked B. This is a pair of solder pads to allow placement of an on-board resistor. If the Booster Board will be connected to a series group of LEDs, this is a handy place to mount the required current limiting resistor. The pads are large enough to accommodate many different wattage resistors. If you choose to use these on-board pads for your resistor in the series group of LEDs, the anode of the first LED in the group must be connected to point D on the Booster Board.

If your project is already completed of if the series group's resistor is located somewhere else (and cannot be place on the Booster Board), then the first LED's anode must be connected to point A on the Booster Board.

 

Parallel groups of Series wired LEDs:

Suppose your particular application requires more LEDs that can be connected in a single string or group due to the voltage limitations of your power supply. In this case, you will need to wire your LEDs in two or more series groups and connect the groups in parallel with each other (each group having its own resistor). If you need a refresher on this circuit type click on the LED Circuits link noted above.

For this example, we will assume our power supply will be limited to 9-volts DC and the LEDs we need will be our N1011 Micro white types which have a 3.3-volt device voltage. We want to have 8 LEDs like our last example.

 

Remember we add device voltages in a series group. Since our power supply will only output 9-volts, we cannot have any more that 2 LEDs in each series group (3 LEDs would = 9.9-volts which exceeds the capability of our power supply). So, we must organize or series groups as 4 groups, each with 2 LEDs and each having its own resistor in series with the group. We've determined that the resistor needed is 120-ohm and it will draw 48mW (.048 watts) of power. Our NA1210 121-ohm, 1/8-watt resistor will work perfectly.

 

Figure 7 below shows these series groups connected in parallel to each other, each with their own resistor. In this case, each series group (or pair) will draw 20mA of current, so the total of the 4 groups will draw 80mA. The Booster Board can handle up to 200mA, so no problem there. The only concern would be our 9-volt power source. If it's a power supply we need to make sure it can provide at least 100mA of current (a little safety factor is good planning).

Important note: Figure 7 show the 4 series groups connected together by a single wire on the cathode side and another single wire on the anode side. In reality, these groups might be wired directly to point A and C on the Booster so that 4 wires (one from each group) connect to the C cathode point, and 4 wires connected to the A anode point. Alternately, they could be connected as shown schematically above with only a single wire attached to the Booster. If this is the approach, that single wire must be able to carry the full 80mA of current or it will overheat. The individual wires that attach from either the LED anodes or cathodes to the single wire only need to carry 20mA.

 

It is worth mentioning here that these 4 different series groups could be pairs of 4 different colored LEDs (different device voltages). However, each pair must have common colors. In this case each series pair's resistor would be a different ohm value based on the calculation necessary for proper current protection.

 

 

                                                                                                                                               Figure 7

 

Parallel wired LEDs:

This is very similar to what is shown in Figure 7 above, except there would only be one LED with its own resistor instead of two. This is a useful approach if single LEDs of different colors (and therefore different device voltages) will be driven by the same Booster channel (and same Simulator effect). In this case you could parallel wire up to 10 LEDs in parallel (10 x 20mA = 200mA) and be within the Booster's channel current capability.

 

Each Booster Board has a large hole which can be used for mounting. Make certain that a spacer of some kind is between the back side of the board and the mounting surface to prevent circuit electrical shorting. Also if using a N8103-3 three channel Booster, there will be components on the back side of the board also, so make sure the spacer is of sufficient height to keep those components off of the mounting surface.

 

This completes connection of the Booster Board.

 

© 2008 Ngineering