Home
What's New
Search Site
Lighting Products
Lighting Accessories
Lighting Effects Products
Pre-assembled Lighting
Lighting Kits
Little Sounds
Tubing
Photo-etched Products
Stamped Metal Products
Other Detail Stuff
Soldering Aids
Other Cool Tools
Tips 'n Tricks
Ordering & Delivery Info
Feedback
Feedback
Retailers/Distributors

Best viewed using:

 Internet Explorer

or

Mozilla Firefox

 

Connecting the N8096B Modern Emergency Vehicle Alternating Strobe for 4 LEDs

 

The N8096B is designed to generate a rapid flashing strobe effect between two series pairs of LEDs. The LEDs are connected to  outputs (solder points 3 - 6) and power is applied to inputs (points 1& 2).  this effect reproduces the modern strobing flashes seen on modern emergency vehicles

Installing the  N8096B module is very straightforward. Because the module has circuitry on both sides, care must be taken to be sure that the components or wires soldered will not make contact with any metal object which could cause a short circuit.

Any well regulated DC power source can be used to power this module providing the voltage is at least 6VDC and doesn't exceed 18VDC. Our N3512B and N3518 Power supplies are ideal for this use. Also, due to the very low power consumption, this device can also be powered by a battery, such as a standard 9-volt.

 

                                Figure 1

Important note: A low-wattage iron with a pointed tip should be used for connection of wires. Too much heat or solder can easily damage the wires, decoder or module and void the warranty.

Also, all connecting wires should be pre-tinned before soldering them to the module. This will make connection quick and easy and ensure excessive heat is not applied to the solder points.

 

Connecting LEDs

 

Included with the module are two 6” lengths of #32 insulated wire. If necessary, these can be used for power input wires. If used, we recommend the red wire be used for the + DC connection. It would be connected to solder point 1 as shown in Fig. 1. This wire could also connect through a switch to the + DC connection for remote control of the lighting effect. The other (black) wire should be connected to – DC and to solder point 2.

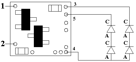
When connecting the LEDs, proper polarity must be observed. LEDs are “polarity sensitive” and will not function if connected backwards.  The N8096B is configured for the connection of one 20 ma LED series pair to solder points 3 & 4 and a second LED series pair connected to solder points 5 & 4.

The N8096B has on-board current limiting resistance to protect these LEDs so no external resistor is required.  

Using wire appropriate for the size of the LED and its placement in the model, wire the first series pair by connecting the first LED anode (the + connection) to solder point 4.  Connect the cathode (- connection) of this LED to the anode of the second LED and connect the cathode (- connection) of the second LED to solder point 3. Wire the second series pair, connecting the pairs first LED cathode (-) to solder point 5, and second LED anode (+) to point 4. See Fig. 2 below for a layout of LED hookup.

Combined device (LED) voltages for each series pair must not exceed 5-volts

 Once again, be sure to use a low-wattage soldering iron when connecting wires to the module.

 

                                     Figure 2

 

 

This completes connection of the N8096B module. It is recommended that a thorough re-inspection of all connections and module placement be performed prior to applying power. We hope you enjoy the added realism our module provides.

 

© 2025 Ngineering