Home
What's New
Search Site
Lighting Products
Lighting Accessories
Lighting Effects Products
Pre-assembled Lighting
Lighting Kits
Little Sounds
Tubing
Photo-etched Products
Stamped Metal Products
Other Detail Stuff
Soldering Aids
Other Cool Tools
Tips 'n Tricks
Ordering & Delivery Info
Feedback
Feedback
Retailers/Distributors

Best viewed using:

 Internet Explorer

or

Mozilla Firefox

 

Connecting the The N8088 a rapidly alternating strobe effect between 4 series pairs of Red & Blue LEDs.

 

 

The N8088 is designed to generate a rapidly alternating strobe effect between 4 series pairs of Red & Blue LEDs.

Installing the  N8088 module is very straightforward. Because the module has circuitry on both sides, care must be taken to be sure that the components or wires soldered will not make contact with any metal object which could cause a short circuit.

Any well regulated DC power source can be used to power this module providing the voltage is at least 6VDC and doesn't exceed 18VDC. Our N3512B and N3518 Power supplies are ideal for this use. Also, due to the very low power consumption, this device can also be powered by a battery, such as a standard 9-volt.

 

                                Figure 1

Important note: A low-wattage iron with a pointed tip should be used for connection of wires. Too much heat or solder can easily damage the wires, decoder or module and void the warranty.

Also, all connecting wires should be pre-tinned before soldering them to the module. This will make connection quick and easy and ensure excessive heat is not applied to the solder points.

 

Connecting LEDs

Included with the module are two 6” lengths of #32 insulated wire. If necessary, these can be used for power input wires. If used, we recommend the red wire be used for the + DC connection at solder point 1 as shown in Fig. 1. This wire could also connect through a switch to the + DC connection for remote control of the effect. The other (black) wire should be connected to – DC  (point 2).

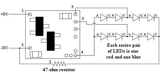
When connecting LEDs, proper polarity must be observed. LEDs are “polarity sensitive” and will not function if connected backwards.  The N8088 is configured to connect 4 series-wired pairs of 20ma Red and Blue LEDs  as shown if Fig. 2 below. These LEDs will use the N8088’s on-board current protection resistor, plus an external resistor (47-ohm) of which 1 plus a spare are included in this package.

 Use wire appropriate for the size of the LED and its placement in the model.  

Figure 2 (below) is a schematic diagram of all connections required 

  Once again, be sure to use a low-wattage soldering iron when connecting wires to the module.

LEDs are noted with "A" = Anode and "C" = Cathode

                                     Figure 2 

 

This completes connection of the N8088 module. It is recommended that a thorough re-inspection of all connections and module placement be performed prior to applying power. We hope you enjoy the added realism our module provides.

 

© 2025 Ngineering